FS1406-0600-AS μPOL DC-DC電源模塊TDK
發布時間:2024-07-09 09:05:01 瀏覽:1292
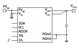
FS1406是一個由TDK公司生產的完全集成的微型負載點(μPOL?)電壓穩壓器,集成了脈寬調制(PWM)控制器、MOSFET、電感器和電容器,形成了一個非常緊湊且準確的穩壓器。其低剖面封裝適用于自動化裝配,使用標準表面貼裝設備。該模塊由跨功能工程團隊開發,體現了最佳實踐和領先技術,特別是在使用I2C總線進行編程操作方面,這是同類產品中的創新特點。

FS1406-0600-AS μPOL DC-DC電源模塊是由TDK公司生產的一款高度集成的降壓穩壓器,專為需要緊湊、高效且功能豐富的電源管理解決方案的應用而設計。以下是該模塊的主要特性和應用介紹:
特性
μPOL?封裝:模塊內部集成了輸出電感器,實現了高度集成化。
體積?。撼叽鐑H為3.3mm x 3.3mm x 1.5mm,非常適合空間受限的應用。
高負載能力:能夠連續提供6A的負載電流。
即插即用:無需外部補償,簡化了設計和部署過程。
I2C串行總線:支持可編程操作,提供了靈活的控制選項。
寬輸入電壓范圍:支持4.5至16V的輸入電壓。
可調節輸出電壓:輸出電壓范圍為0.6至2.64V,初始精度達到±0.5%。
保護功能:包括預偏置啟動保護、軟啟動保護、過電壓保護、熱補償過電流保護、熱關斷和自恢復功能等。
工作溫度范圍:從-40°C至+125°C,適應各種環境條件。
環保:無鉛無鹵素,符合EU指令REACH和RoHS 6。
應用
FS1406-0600-AS模塊非常適合以下應用:
- 存儲應用
- 電信和網絡應用
- 工業應用
- 服務器應用
- 分布式負載架構
- 外圍電壓調節
- 一般DC-DC轉換應用
型號:
| Part numbers | ||
| Vour | 250 devices on a ree | 4000 devices ona reel |
| 0.60 | FS1406-0600-AS | FS1406-0600-AL |
| 0.70 | FS1406-0700-AS | FS1406-0700-AL |
| 0.75 | FS1406-0750-AS | FS1406-0750-AL |
| 0.80 | FS1406-0800-AS | FS1406-0800-AL |
| 0.90 | FS1406-0900-AS | FS1406-0900-AL |
| 1.00 | FS1406-1000-AS | FS1406-1000-AL |
| 1.05 | FS1406-1050-AS | ES1406-1050-A |
| 1.10 | FS1406-1100-AS | FS1406-1100-AL |
| 1.20 | FS1406-1200-AS | FS1406-1200-AL |
| 1.80 | FS1406-1800-AS | FS1406-1800-AL |
| 2.50 | FS1406-2500-AS | FS1406-2500-AL |
| 2.64 | FS1406-2640-AS | FS1406-2640-AL |
相關推薦:
注:TDK μPOL?嵌入式DC-DC電源模塊型號產品可用Cyntec電源模塊進行替代,具體替代方案可咨詢立維創展。
推薦資訊
DATEL公司生產的HBR系列鐵路半磚型DC-DC轉換器,輸出功率100瓦,效率高達89%,具備3000伏特RMS直流隔離,輸入電壓范圍66-160伏特,工作溫度-40°C至+100°C。其特點包括工業標準半磚封裝、固定開關頻率穩壓、完全隔離、多重保護功能(過流、過壓、過溫、輸入欠壓鎖定)、遠程開/關控制和連續短路保護。該系列產品符合CE、UL60950-1和EN50155標準,廣泛應用于鐵路系統、分布式電源架構、電信、服務器、移動設備、軍事和工業領域。
RECOM RPX-1.5Q 是一款符合 AEC-Q100 標準的車規級降壓轉換器模塊,采用緊湊型 3 mm x 5 mm x 1.6 mm QFN 封裝,適用于汽車電子和高可靠性應用。其輸入電壓范圍為 4 VDC 至 36 VDC,輸出電壓范圍為 0.8 VDC 至 30 VDC,最大輸出電流為 1.5 A,工作溫度范圍為 -40°C 至 +125°C,具備短路保護、過流保護、過溫保護和欠壓鎖定等多種保護功能,并支持使能、電源良好、軟啟動和同步功能,廣泛應用于汽車電子系統、工業控制系統和高可靠性嵌入式設備。
在線留言