Renaissance 12A4BG-40N雙定向耦合器
發布時間:2025-07-25 08:56:22 瀏覽:1703
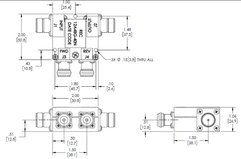
Renaissance 12A4BG-40N是一款雙定向耦合器,由 Renaissance Electronics公司生產。其工作頻率范圍為700MHz至4.2GHz,尺寸為2×2×1.06英寸,適用于測試和測量應用。


Renaissance Electronics & Communications, LLC 是一家專注于高可靠性無源和有源組件以及子系統的設計和制造公司,其產品廣泛應用于軍事和商業領域。HXI公司(已被Renaissance收購)是一家專注于射頻和微波技術的公司,主要為國防、太空和航空市場提供廣泛的產品線,包括低噪聲放大器、功率放大器、頻率倍增器、混頻器/上變頻器、波導隔離器和環行器以及PIN開關等,頻率覆蓋從18 GHz至110 GHz。深圳市立維創展科技有限公司優勢供銷Renaissance/HXI產品,歡迎咨詢了解。
推薦資訊
BNC875是一款覆蓋10MHz至40GHz的多通道矢量信號發生器,具備超快開關速度、低相位噪聲和高性能I/Q調制器,支持多種復雜調制方案,適用于雷達仿真、電子戰和5G/6G通信等應用。其支持脈沖描述符字(PDW)格式,可通過以太網或USB實時上傳和轉換調制參數,多通道版本還支持相位相干和校準的多PDW序列回放。
?Winchester? 2.4mm系列連接器歸屬于高精密毫米連接器,擁有體型小、重量輕、高頻率等優勢,適用于毫米波儀器設備和控制系統中。
在線留言